J'ai d�j� une antenne r�ception mais il me fallait un pr�texte pour faire un peu d'assembleur PIC.
Cette page traite de la gestion du rotor d'antenne destin� � une antenne loop. Construction d�crite ici: Rotor d'antenne..
Cahier des charges :
Low-cost, construite enti�rement avec des fonds de tiroirs.
Gestion par PIC 18F4525.
Programmation du syst�me en langage assembleur.
Ne doit pas d�figurer notre maison, sera plac�e dans un grenier � l'abri des intemp�ries et des regards.
Ce qui implique que je ne la verrai pas fonctionner, il faut donc penser un syst�me de recopie de la position et une visu des infos dans la station.
Utilise le m�t et rotor d�j� construits.
Cadre en tubes de cuivres �18mm que je poss�de d�j�.
Gestion de la rotation du rotor pour pivoter l'antenne sur 180�. Moteur CC 12vcc.
Destin�e � une Loop magn�tique, gestion du condensateur variable d'adapation imp�dance/fr�quence par moteur PAP et driver.
Pour permettre la recopie de l'azimut de l'antenne (position du rotor) je vais utiliser le principe de la roue codeuse avec lecteur optoelectronique. Il me faut donc usiner un disque perfor� adapt� � la m�canique du rotor.
En premier lieu une petite mod�lisation 3D pour en tirer un fichier .stl � donner en pature � Cambam pour en tirer un programme gcode. J'ai du faire plusieurs essais, le disque final est sensiblement diff�rent de la capture d'�cran, des ouvertures oblongues facilitant le r�glage de la fourche optique, des perforations suppl�mentaires pour les limites et des perforations seulement sur 180� l'antenne �tant bi-directionnelle.

J'ai mis T1T1N3. � contribution pour usiner le disque optique � partir d'une feuille de plastique de 2mm d'�pais r�cup�r� � la d�chetterie.

Montage sur le rotor
Le moteur devra pouvoir tourner dans les deux sens, il sera command� par un pont en H construit de bric et de broc avec des transistors r�cup�r�s sur des vieux t�l�viseurs, (2 NPN et 2 PNP) assez costauds pour pouvoir emmener un moteur 12v 1A sans ventilation. Il est d�crit ici: Pont en H.
Chaque transistor est �quip� d'un radiateur d�coup� dans du profil� d'alu.

Fabrication de la fourche optique, la partie '�clairante' est constitu�e par deux leds CMS, une pour la lecture d'angle et l'autre pour les limites. La partie r�ception est constitu�e de deux phototransistors c�bl�s avec une r�sistance pulldown 10k. Un perforation du disque passe entre phototransistor et led on sature et produit un �tat haut, une partie pleine du disque, phototransistor bloqu� produit un �tat bas. On a 90 perforations sur 180� ce qui nous donne une lecture de 2� par trou.
Sch�ma simple, le disque perfor� passe entre les deux composants, la led sature le ttor (�tat haut) d�s que le rayon lumineux est en face d'une perforation (sinon �tat bas), l'info est envoy�e au PIC.

R�alisation pratique
---o0O (#) O0o---
Le syst�me est fonctionnel mais le prototype est finalement trop instable � cause de sa construction fa�on 'bricolage', au moindre choc il faut tout re-r�gler. J'ai fais une deuxi�me version un peu plus s�rieuse,
le premier avait �t� grav� rapidement � la dremel, le deuxi�me grav� proprement avec CH4RL0TT3. et de construction plus robuste, les deux plaques sont reli�es par un tube de laiton, le tout soud�, garantissant l'alignement leds/ttors.
Comme quoi perdre du temps � faire les choses correctement d�s le d�part nous en fait gagner...
Comme expliqu� plus haut j'ai grav� un nouveau disque avec des perforations plus adapt�es, le syst�me est bien plus rigide et fonctionnel. L'utilisation de led et r�sistances CMS est due au peu de place entre le disque optique et la plaque sup�rieure du CV, sinon je n'ai pas cherch� la miniaturisation.

Le tronc du programme est tr�s simple: une boucle permanente scrute le disque optique et les boutons poussoirs d�di�s aux diverses commandes.
- aucun bouton de press�, la boucle se d�roule ind�finiment.
- un bouton press� on saute � la
routine de gestion correspondante, la t�che accomplie on revient dans la boucle.
Pas mal de conditions n�cessaires pour g�rer � la fois les limites, l'optoelectronique et le comptage des trous, un petit ordinogramme s'imposait.

Pour travailler plus confortablement j'ai divis� le programme en plusieurs parties, elle sont assembl�es dans le main par des #include<>.
Initialisations du PIC18F4525:
Rotation et limites OK:
Routines communes:
A ce stade la rotation de l'antenne s'effectue correctement par appui sur les poussoirs direct ou inverse, les limites mini et maxi fonctionnent. Les routines de retour visu ne sont pas encore impl�ment�es.
Le syst�me complet en d�veloppement sur ma platine de prototypage PICDEV V4-40.. A gauche sur la breadboard les trois testeurs de niveaux TTL bien pratiques pour visualiser les �tats de l'opto-�lectronique.

Pour adapter l'antenne sur la fr�quence de r�ception choisie il faut pouvoir commander le CV � distance en aveugle, l'antenne se situant dans un grenier en dehors de la station radio. Pour ne pas faire forcer le moteur PAP en but�e dans un sens ou dans
l'autre, je fais une POM pour la limite mini, principe tr�s utilis� en CNC (Prise Origine Machine, voir le projet 4L1C3 pour plus d'explications sur les POM) et compter les pas pour la limite maxi. Le syst�me comprend un doigt qui vient obturer une fourche
opto constitu�e d'une led et d'un phototransistor, un CV actionn� par un pap r�cup�r� sur un vieux photocopieur. Le driver est un module TB6560. Le condensateur variable a une capacit� de 596pf, une rotation de 180�, un 360� aurait bien simplifi� la programmation mais ces vieux composants deviennent rares.
Tout comme la commande de rotation, au d�marrage du syst�me le programme effectuera la POM automatique en refermant le CV, ce sera la limite
mini en position ferm�e. La limite maxi en position ouverte se situera aux environ des 100 pas, le PAP �tant un type 200pas/tour, le CV ayant une rotation d'environ 180�, la
limite maxi devrait se trouver dans ces environs avec une petite marge de s�curit�, valeur qui tiendra dans un octet servant de compteur.
Comme pour la rotation antenne le tout sera command� de la station par deux boutons poussoirs direct et inverse, la position en recopie sur le LCD.

Gros plan sur la fourche opto home-made, led et phototransistor, le doigt est une chute de PCB coll� sur le coupleur. Le CV est ici en position ferm�e, limite mini.

Fichier main final:
Routines communes:
Temporisations:
C�blage fourches opto:

C�blage pins poussoirs et sorties:

C�blage du LCD 1602 sur le PIC:

A ce niveau tout touille correctement sur table, il reste maintenant � mettre tout �� en boitier, construire la loop, commander 10m de c�ble 8 conducteurs souples en Chine et installer le tout dans le grenier.
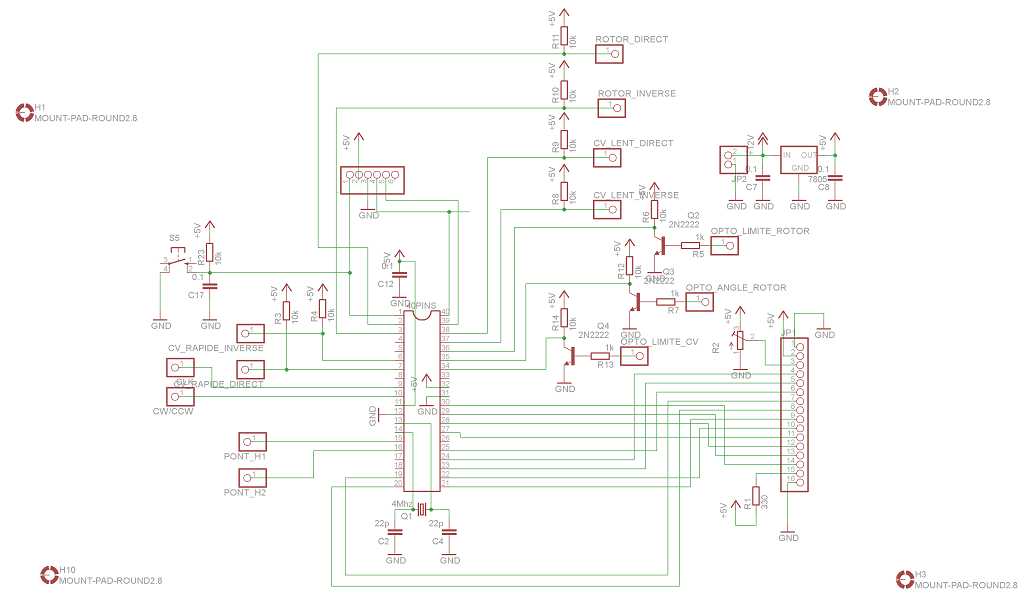
Le sch�ma d�finitif:

L'implantation du PCB:


M�me si ce n'est pas la partie qui me passionne le plus ce projet m�rite un beau boitier. Je l'ai d�coup� dans de la t�le de PC du temps ou ils �taient encore solides.
Le boitier est un peu surdimensionn� par rapport au petit PCB mais c'est la face avant avec tous ses poussoir et le LCD qui conditionne les dimensions.

Cr�ation de La face avant avec l'exellent soft Galva de F5BU:
Comme j'ai de la place disponible j'ai rajout� deux prises BNC sur l'arri�re, cette antenne sera r�serv�e pour la r�ception et j'en profiterai pour
faire des essais de pr�amplis, j'en ai quelques uns qui tra�nent dans mes cartons.
J'ai fait avec ce que j'avais dans mes fonds de tiroirs, toutes les servitudes de l'antenne transiteront par des prises DIN r�cup�r�es sur de vieilles cha�nes HI-FI.

Boitier c�bl�, les dimensions �taient tributaires des commandes face avant et je me suis retrouv� avec pas mal de place libre � l'int�rieur. Cette antenne �tant destin�e � la r�ception j'en ai profit� pour y caser deux pr�amplis HF qui tra�naient dans mes tiroirs. Cette antenne loop magn�tique deviendra une antenne active et �a me permettra de faire des essais comparatifs, voire tester d'autres montages :
Le bloc rotor mont� et pr�t � �tre install�, l'antenne sera bien � l'abri dans un grenier d�saffect�, les seules pertubations qu'elle craindra seront les toiles d'araign�es, tout peut donc rester dans l'�tat :
Il ne reste plus qu'� passer � la finalisation du projet: Construction et installation de la boucle magn�tique..